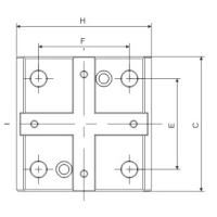
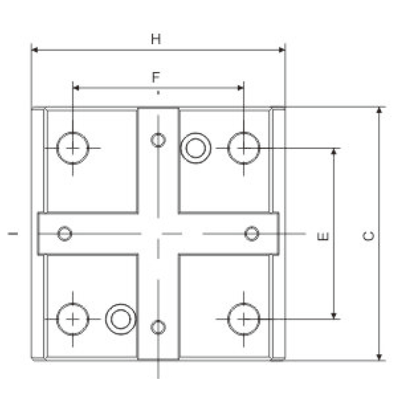
High-presision BMT series BMT40/BMT45/BMT55/BMT65/BMT75 end face fixed tool holder for CNC lathes

CONTACT NOW

REQUEST FREE QUOTE

Send us email or fill in below contact form. We will reply you as soon as possible.

Verification code

PRODUCT CENTER

lpktools.com

Room 108, 111 And 112, No. 17, Yongmao New Street, Yonggang, Huangpu, Guangzhou, Guangdong, China

gzlpktool.en.alibaba.com 

lpktools@126.com

NEW PRODUCTS

VIDEO

  • Model
    F402045;F452560;F552560;F652575;F6532100